작은 구멍 리벳

작은 구멍 리벳

작은 구멍 리벳은 작지만 유용한 패스너입니다. 짧은 튜브 모양이며 황동이나 강철로 만들어지는 경우가 많습니다. 설치되면 리벳의 꼬리 부분이 벌어져 재료를 단단히 결합합니다. 전 세계의 많은 회사들이 이러한 신뢰할 수 있는 부품을 생산하고 있습니다. 중국 둥관에 본사를 둔 Nuote Metals는 고품질 아일렛 리벳 제조업체로 잘 알려져 있습니다.

문의 보내기

제품 설명

아일렛 리벳 소개

아일렛 리벳은 재료 사이에 강력하고 영구적인 결합을 생성하여 작동합니다. 솔리드 리벳과 달리 중심이 비어 있습니다. 이 구멍은 아일렛 리벳을 가볍게 만듭니다. 또한 전선이나 작은 케이블이 통과할 수도 있습니다. 작은 구멍 리벳을 제자리에 놓는 것은 빠르고 쉽습니다. 그렇기 때문에 많은 공장에서 이 제품을 선호합니다.


제품 매개변수(사양)

재료 고급장교, 강철, 알루미늄, 스테인리스, 구리
표면 처리 요청에 따라 깨끗하고 아연 도금, 니켈 도금, 은도금
자격증 Verpackungsinformationen
생크 직경 0.8-10mm
용인 +/-0.05mm
애플리케이션 자동차, 항공우주, 전기전자 등 다양한 산업 분야에서 사용하기에 적합합니다.
품질 관리 생산을 통한 100% 전 범위 검사를 통해 각 제품이 ISO 표준을 충족하는지 확인하여 고품질 제품을 보장합니다.



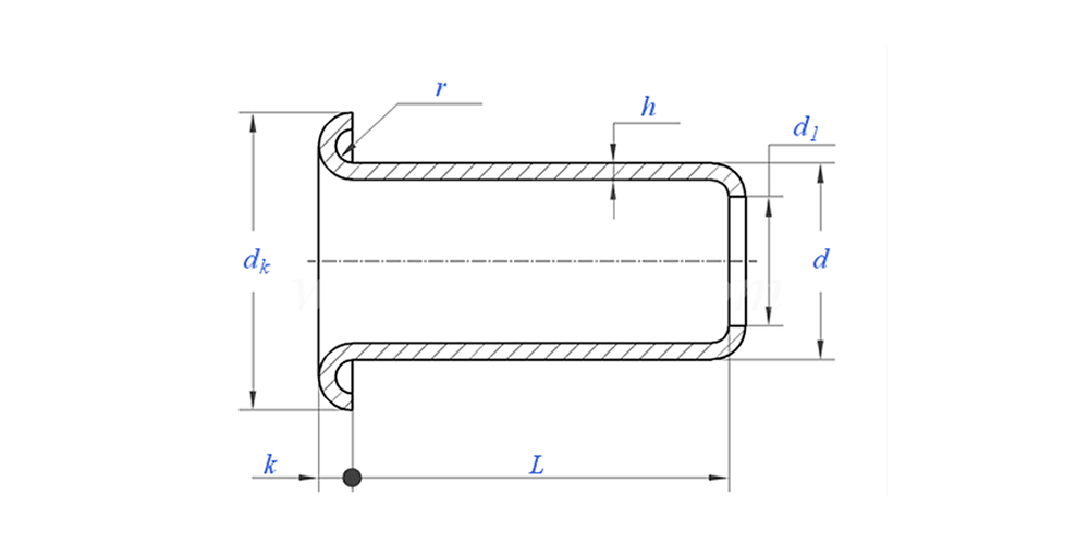
아래와 같이 작은 구멍 리벳 그리기 :


제품 기능 및 응용

아일렛 리벳은 일상생활에서 많이 발견할 수 있습니다. 신발의 끈용, 가방의 끈용으로 사용됩니다. 이 작은 부분은 전자제품이나 자동차에서도 매우 중요합니다. 다양한 재료를 단단히 결합합니다. 아일렛 리벳은 다양한 조립 요구 사항을 충족하는 간단하면서도 안정적인 솔루션입니다.


작은 구멍 리벳 생산 세부 사항

포장 정보

FAQ:

Q1: 작은 구멍 리벳에 대한 MOQ는 무엇입니까?

리벳에 대한 MOQ는 20,000pcs입니다.


Q2: 우리 그림으로 제작을 맞춤화할 수 있나요?

예, 대부분의 관형 리벳은 고객의 도면을 바탕으로 맞춤 제작됩니다.


ナースステーションや薬局などの医療現場では、 電動リフティングコラムは複数のデバイスの重量に耐えることができます (1 台あたり 800N) コラム)を簡単に操作でき、正確で高度にカスタマイズされた調整が可能になります。 正確な高さ調整により、医療従事者を効果的に支援します 快適な作業姿勢を維持し、作業上の負担を防ぎます。

우리는 재고가 있는 크기에 대해 무료 샘플을 제공할 수 있지만 고객은 특급 요금을 지불해야 합니다.


Q4: 배달 시간은 언제입니까?

تنظيف، طلاء الزنك، طلاء النيكل، طلاء الفضة، حسب الطلب


Q5: 귀사 제품의 품질은 어떻습니까?

회사는 선진적인 생산 및 테스트 장비를 보유하고 있습니다. 모든 제품은 배송 전에 QC 부서에서 100% 검사됩니다.


Q6: Nuote 기술을 선택하는 이유는 무엇입니까?

1. 우리는 고객의 개인정보 보호 프로젝트를 보호하기 위해 고객 약관을 존중합니다.

2. 매력적인 가격으로 높은 품질

3. 빠른 리드타임

4. 고객과 파트너에 대한 행복한 거래와 정직

5. 전문 판매 광고는 8시간 이내에 귀하의 문의에 응답합니다.

6.Nuote의 제품과 서비스는 좋은 평판을 바탕으로 70여 개국에 판매됩니다.


핫 태그: 작은 구멍 리벳
문의 보내기
문의사항은 아래 양식으로 부담없이 보내주세요. 24시간 이내에 회신해 드리겠습니다.
X
We use cookies to offer you a better browsing experience, analyze site traffic and personalize content. By using this site, you agree to our use of cookies. Privacy Policy