작은 구멍
  • 작은 구멍 작은 구멍

작은 구멍

Nuote Metals는 10년 이상 동안 중국 소형 아일렛의 선두 제조업체 중 하나입니다. 우리는 생크 직경 0.8mm에서 10mm까지 3000개 이상의 다양한 크기의 재고를 보유하고 있으며 대부분의 재고 아일렛은 황동 재질로 만들어졌지만 강철, 구리 및 스테인레스 스틸과 같은 다른 금속 아일렛도 제공합니다.

문의 보내기

제품 설명

작은 구멍 소개


작은 구멍은 일반적으로 딥 드로잉 기술을 통해 생성되는 매우 간단한 구성 요소입니다. 이 과정을 통해 평평한 금속판이 특정 모양으로 변형됩니다. 이 복잡한 절차에는 금속판의 모양을 바꾸기 위해 블랭킹, 펀칭, 굽힘, 피어싱과 같은 다양한 금속 성형 방법이 포함됩니다. 금속 스탬퍼는 금속 시트를 성형하거나 절단하기 위해 펀치를 통해 상당한 힘을 사용합니다.


작은 구멍


Small Eyelets


금속 작은 구멍 응용 쇼:


Small Eyelets



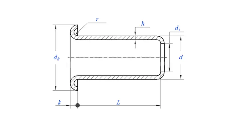
제품 매개변수(사양)


재료

고급장교, 강철, 구리, 스테인리스

표면 처리

요청에 따라 깨끗하고 아연 도금, 니켈 도금, 은도금

자격증

Rohs 준수

생크 직경

0.8-10mm

용인

+/-0.05mm

애플리케이션

 다음을 포함한 다양한 산업 분야에서 사용하기에 적합합니다.자동차, 항공우주, 전기 및 전자 등

품질 관리

생산을 통한 100% 전 범위 검사를 통해 각 제품이 ISO 표준을 충족하는지 확인하여 고품질 제품을 보장합니다.



제품 기능 및 응용


다양한 고려 사항이 금속 구멍 선택에 영향을 미칩니다. 가장 중요한 측면은 구멍의 크기입니다. 작은 구멍은 꼭 맞아야 하며 필요한 적용 강도를 위해 플랜지 직경이 충분히 커야 합니다. 재료의 두께는 구멍의 배럴이 효과적으로 통과할 수 있도록 해야 합니다. 크기가 작기 때문에 작은 구멍은 조임끈, 신발끈, 리본, 레이스 또는 고무 끈과 같은 품목이 통과할 수 있는 구멍을 강화하는 데 자주 사용됩니다.


작은 구멍 생산 세부 정보


Small Eyelets



포장 정보


Small Eyelets


FAQ:


Q1: 작은 구멍에 대한 MOQ는 무엇입니까?

리벳에 대한 MOQ는 20,000pcs입니다.


Q2: 우리 그림으로 제작을 맞춤화할 수 있나요?

네, 대부분의 금속 구멍은 고객의 그림을 바탕으로 맞춤 제작됩니다.


Q3: 중공 리벳의 무료 샘플을 제공해 주시겠습니까?

우리는 재고가 있는 크기에 대해 무료 샘플을 제공할 수 있지만 고객은 특급 요금을 지불해야 합니다.


Q4: 배달 시간은 언제입니까?

재고 리벳 크기: 3-5일, 비표준 리벳: 15-25일. 품질보증으로 최대한 빨리 배송해드리겠습니다.


Q5: 귀사 제품의 품질은 어떻습니까?

회사는 선진적인 생산 및 테스트 장비를 보유하고 있습니다. 모든 제품은 배송 전에 QC 부서에서 100% 검사됩니다.


Q6: Nuote 기술을 선택하는 이유는 무엇입니까?

1. 우리는 고객의 개인정보 보호 프로젝트를 보호하기 위해 고객 약관을 존중합니다.

2. 매력적인 가격으로 높은 품질

3. 빠른 리드타임

4. 고객과 파트너에 대한 행복한 거래와 정직

5. 전문 판매 광고는 8시간 이내에 귀하의 문의에 응답합니다.

6.Nuote의 제품과 서비스는 좋은 평판을 바탕으로 70여 개국에 판매됩니다.


핫 태그: 작은 구멍
문의 보내기
문의사항은 아래 양식으로 부담없이 보내주세요. 24시간 이내에 회신해 드리겠습니다.
X
We use cookies to offer you a better browsing experience, analyze site traffic and personalize content. By using this site, you agree to our use of cookies. Privacy Policy