PCB용 아일렛
  • PCB용 아일렛 PCB용 아일렛

PCB용 아일렛

PCB용 구멍은 내구성이 뛰어난 원통형 형태로 되어 있어 다양한 재료의 펀치 구멍에 보강재를 추가하여 해어짐을 방지하고 깨끗하고 마감된 가장자리를 제공합니다. Nuote Metals는 10년 이상 중국에서 PCB 아일렛을 제조한 제조업체로 다양한 크기의 재고를 보유하고 있습니다.

문의 보내기

제품 설명

PCB용 아일렛 소개


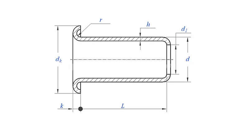
가장 일반적인 구멍 모양은 표준 원형 구멍으로, 단순하고 효과적인 디자인으로 인해 널리 사용됩니다. PCB 구멍은 일반적으로 머리 부분이 평평합니다.


PCB용 구멍


eyelets for PCB


금속 작은 구멍 응용 쇼:


eyelets for PCB



제품 매개변수(사양)


재료

고급장교, 강철, 구리, 스테인리스

표면 처리

요청에 따라 깨끗하고 아연 도금, 니켈 도금, 은도금

자격증

Rohs 준수

생크 직경

0.8-10mm

용인

+/-0.05mm

애플리케이션

 다음을 포함한 다양한 산업 분야에서 사용하기에 적합합니다.자동차, 항공우주, 전기 및 전자 등

품질 관리

생산을 통한 100% 전 범위 검사를 통해 각 제품이 ISO 표준을 충족하는지 확인하여 고품질 제품을 보장합니다.


제품 기능 및 응용


PCB 구멍은 가장 자주 사용되는 것 중 하나이며 인쇄 회로 기판의 상단 부분에 구멍을 뚫어 만들어집니다.


PCB 생산 세부 사항에 대한 작은 구멍


eyelets for PCB


포장 정보


eyelets for PCB


FAQ:


Q1: PCB용 구멍에 대한 MOQ는 무엇입니까?

리벳에 대한 MOQ는 20,000pcs입니다.


Q2: 우리 그림으로 제작을 맞춤화할 수 있나요?

예, 대부분의 PCB 구멍은 고객의 도면에 맞춰 제작됩니다.


Q3: 중공 리벳의 무료 샘플을 제공해 주시겠습니까?

우리는 재고가 있는 크기에 대해 무료 샘플을 제공할 수 있지만 고객은 특급 요금을 지불해야 합니다.


Q4: 배달 시간은 언제입니까?

재고 리벳 크기: 3-5일, 비표준 리벳: 15-25일. 품질보증으로 최대한 빨리 배송해드리겠습니다.


Q5: 귀사 제품의 품질은 어떻습니까?

회사는 선진적인 생산 및 테스트 장비를 보유하고 있습니다. 모든 제품은 배송 전에 QC 부서에서 100% 검사됩니다.


Q6: Nuote 기술을 선택하는 이유는 무엇입니까?

1. 우리는 고객의 개인정보 보호 프로젝트를 보호하기 위해 고객 약관을 존중합니다.

2. 매력적인 가격으로 높은 품질

3. 빠른 리드타임

4. 고객과 파트너에 대한 행복한 거래와 정직

5. 전문 판매 광고는 8시간 이내에 귀하의 문의에 응답합니다.

6.Nuote의 제품과 서비스는 좋은 평판을 바탕으로 70여 개국에 판매됩니다.


핫 태그: PCB용 아일렛
문의 보내기
문의사항은 아래 양식으로 부담없이 보내주세요. 24시간 이내에 회신해 드리겠습니다.
X
We use cookies to offer you a better browsing experience, analyze site traffic and personalize content. By using this site, you agree to our use of cookies. Privacy Policy