작은 구멍과 세탁기

작은 구멍과 세탁기

많은 일상용품에서 구멍과 와셔를 찾을 수 있습니다. 그것들은 작은 금속 부품입니다. 구멍은 작은 고리 모양이고 와셔는 평평한 디스크입니다. 직물이나 플라스틱과 같은 재료에 강력하고 부드러운 구멍을 만들기 위해 함께 눌러집니다. 이렇게 하면 재료가 찢어지는 것을 방지할 수 있습니다. 중국에서는 Nuote Metals가 작지만 유용한 부품을 만듭니다. 우리는 다양한 작업에 맞는 다양한 유형의 구멍과 와셔를 생산합니다.

문의 보내기

제품 설명

아일렛 및 와셔 소개

작은 구멍과 와셔를 매우 유용하게 만드는 것은 그것이 얼마나 단순하기 때문입니다. 재료에 있는 구멍에 구멍을 뚫습니다. 그런 다음 세탁기를 뒤쪽에 놓습니다. 기계가 그것들을 누르고 조각들을 함께 짜냅니다. 이렇게 하면 재료가 그 사이에 단단히 고정됩니다. 그 결과 쉽게 마모되지 않는 깨끗하고 튼튼한 구멍이 탄생했습니다. 이 단순한 디자인으로 인해 작은 구멍과 와셔는 매우 안정적인 솔루션입니다.


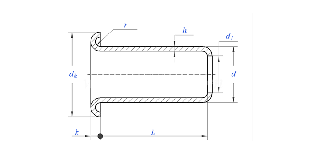
아래에로 작은 구멍과 세탁기 그림:

작은 구멍과 세탁기 신청 쇼:

제품 매개변수(사양)

재료 놋쇠
표면 처리 요청에 따라 깨끗하고 아연 도금, 니켈 도금, 은도금
헤드 유형 둥근 머리 솔리드 리벳
자격증 Rohs 준수
생크 직경 0.8-8mm
용인 +/-0.05mm
애플리케이션 자동차, 항공우주, 전기전자 등 다양한 산업 분야에서 사용하기에 적합합니다.
품질 관리 생산을 통한 100% 전 범위 검사를 통해 각 제품이 ISO 표준을 충족하는지 확인하여 고품질 제품을 보장합니다.




제품 기능 및 응용

작은 구멍과 와셔가 보이는 좋은 예는 오일 캔 위에 있습니다. 많은 기름통에는 따르기 위한 작은 금속 주둥이가 있습니다. 이 주둥이는 많이 사용되며 쉽게 찢어질 수 있습니다. 그러나 자세히 살펴보면 개구부를 보강하는 작은 금속 링을 자주 볼 수 있습니다. 그것은 작업중인 구멍과 와셔입니다. 주둥이를 튼튼하게 해주고, 새는 것을 막아주어 오일을 오래도록 유지할 수 있습니다. 이 간단한 부품 쌍을 완벽하게 사용합니다.


작은 구멍과 와셔 생산 세부 정보

포장 정보

FAQ:

Q1: 작은 구멍과 와셔에 대한 MOQ는 무엇입니까?

리벳에 대한 MOQ는 20,000pcs입니다.


Q2: 우리 그림으로 제작을 맞춤화할 수 있나요?

예, 대부분의 관형 리벳은 고객의 도면을 바탕으로 맞춤 제작됩니다.


Q3: 중공 리벳의 무료 샘플을 제공해 주시겠습니까?

우리는 재고가 있는 크기에 대해 무료 샘플을 제공할 수 있지만 고객은 특급 요금을 지불해야 합니다.


Q4: 배달 시간은 언제입니까?

재고 리벳 크기: 3-5일, 비표준 리벳: 15-25일. 품질보증으로 최대한 빨리 배송해드리겠습니다.


Q5: 제품의 품질은 어떻습니까?

회사는 선진적인 생산 및 테스트 장비를 보유하고 있습니다. 모든 제품은 배송 전에 QC 부서에서 100% 검사됩니다.


Q6: Nuote 기술을 선택하는 이유는 무엇입니까?

1. 우리는 고객의 개인정보 보호 프로젝트를 보호하기 위해 고객 약관을 존중합니다.

2. 매력적인 가격으로 높은 품질

3. 빠른 리드타임

4. 고객과 파트너에 대한 행복한 거래와 정직

5. 전문 판매 광고는 8시간 이내에 귀하의 문의에 응답합니다.

6.Nuote의 제품과 서비스는 좋은 평판을 바탕으로 70여 개국에 판매됩니다.


핫 태그: 작은 구멍과 와셔,중국 작은 구멍과 와셔,작은 구멍과 와셔 제조업체
문의 보내기
문의사항은 아래 양식으로 부담없이 보내주세요. 24시간 이내에 회신해 드리겠습니다.
X
We use cookies to offer you a better browsing experience, analyze site traffic and personalize content. By using this site, you agree to our use of cookies. Privacy Policy