부팅 구멍

부팅 구멍

우리는 이곳 Dongguan의 Nuote Metals에서 매일 Boot Eyelets를 만듭니다. 구멍은 부츠에서 볼 수 있는 튼튼한 금속 고리입니다. 끈이 그들을 통과합니다. 우리는 튼튼한 재료로 부츠 구멍을 만듭니다. 오래 지속되어야 합니다. 우리는 다양한 크기와 마감재로 생산합니다. 일부는 반짝이고 일부는 매트합니다. 모두 내구성이 있도록 제작되었습니다.

문의 보내기

제품 설명

부팅 구멍 소개

부트 아이렛(Boot Eyelets)은 매우 중요한 역할을 합니다. 그들은 레이스 구멍을 더 강하게 만듭니다. 그것들이 없으면 구멍이 쉽게 찢어질 것입니다. 끈을 꽉 당기면 부츠 구멍이 압력을 받습니다. 끈이 원활하게 움직이는 데에도 도움이 됩니다. 이렇게 하면 부츠를 신고 벗기가 더 쉬워집니다.


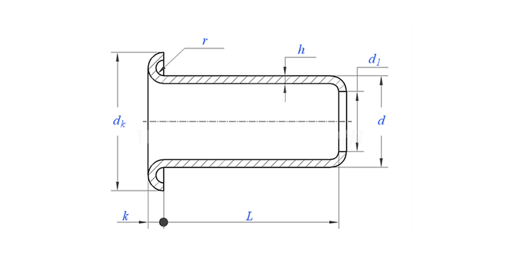
아래와 같이 부팅 구멍 그리기:


부트 아일릿 매개변수(사양)



재료 고급장교, 강철, 알루미늄, 스테인리스, 구리
표면 처리 요청에 따라 깨끗하고 아연 도금, 니켈 도금, 은도금
자격증 Rohs 준수
생크 직경 0.8-10mm
용인 +/-0.05mm
애플리케이션 자동차, 항공우주, 전기전자 등 다양한 산업 분야에서 사용하기에 적합합니다.
품질 관리 생산을 통한 100% 전 범위 검사를 통해 각 제품이 ISO 표준을 충족하는지 확인하여 고품질 제품을 보장합니다.




부팅 구멍 기능 및 응용 프로그램

다양한 종류의 부츠에서 부츠 구멍을 찾을 수 있습니다. 작업용 부츠가 있습니다. 하이킹 부츠가 사용됩니다. 군용 부츠에도 필요합니다. 세련된 가죽 부츠에도 부츠 구멍이 있습니다. 발을 안전하고 편안하게 유지하는 데 도움이 됩니다. 좋은 부츠 구멍이 없으면 부츠가 제대로 맞지 않거나 오래 지속되지 않습니다.


부츠 아일렛 생산 세부사항


FAQ:

Q1: 부트 구멍에 대한 MOQ는 무엇입니까?

리벳에 대한 MOQ는 20,000pcs입니다.


Q2: 우리 그림으로 제작을 맞춤화할 수 있나요?

예, 대부분의 관형 리벳은 고객의 도면을 바탕으로 맞춤 제작됩니다.


Q3: 중공 리벳의 무료 샘플을 제공해 주시겠습니까?

우리는 재고가 있는 크기에 대해 무료 샘플을 제공할 수 있지만 고객은 특급 요금을 지불합니다.


Q4: 배달 시간은 언제입니까?

재고 리벳 크기: 3-5일, 비표준 리벳: 15-25일. 품질보증으로 최대한 빨리 배송해드리겠습니다.


Q5: 귀사 제품의 품질은 어떻습니까?

회사는 선진적인 생산 및 테스트 장비를 보유하고 있습니다. 모든 제품은 배송 전에 QC 부서에서 100% 검사됩니다.


Q6: Nuote 기술을 선택하는 이유는 무엇입니까?

1. 우리는 고객의 개인정보 보호 프로젝트를 보호하기 위해 고객 약관을 존중합니다.

2. 매력적인 가격으로 높은 품질

3. 빠른 리드타임

4. 고객과 파트너에 대한 행복한 거래와 정직

5. 전문 판매 광고는 8시간 이내에 귀하의 문의에 응답합니다.

6.Nuote의 제품과 서비스는 좋은 평판을 바탕으로 70개국 이상에 판매됩니다.


핫 태그: 부팅 구멍, 중국 부팅 구멍, 부팅 구멍 제조업체
관련 카테고리
문의 보내기
문의사항은 아래 양식으로 부담없이 보내주세요. 24시간 이내에 회신해 드리겠습니다.
X
당사는 귀하에게 더 나은 탐색 경험을 제공하고, 사이트 트래픽을 분석하고, 콘텐츠를 개인화하기 위해 쿠키를 사용합니다. 이 사이트를 이용함으로써 귀하는 당사의 쿠키 사용에 동의하게 됩니다. 개인 정보 보호 정책