배너 구멍

배너 구멍

우리는 중국 동관 출신의 Nuote Metals입니다. 우리는 광고 배너용 배너 구멍을 만듭니다. 우리 공장은 수년 동안 배너 구멍을 생산해 왔습니다. 우리는 배너 구멍을 만들기 위해 강한 재료를 사용합니다. 황동과 강철이 우리의 주요 재료입니다. 우리는 배너 구멍을 다양하게 만듭니다. 크기. 작은 배너는 작은 배너 구멍을 사용합니다. 대형 배너에는 큰 배너 구멍이 필요합니다. 매 배너 구멍은 배송 전에 직원이 확인합니다. 그들은 각 부분이 완벽한지 확인합니다. 많은 광고 회사가 당사의 배너 구멍을 사용합니다. 그들은 우리의 품질과 좋은 가격을 좋아합니다. 신규 고객을 위해 샘플을 빠르게 만들 수 있습니다.

문의 보내기

제품 설명

배너 구멍 소개

배너 구멍은 배너용 금속 링입니다. 배너 가장자리를 따라 배치됩니다. 밧줄이나 끈이 이 배너 구멍을 통과합니다. 배너 구멍을 사용하면 배너를 쉽게 걸 수 있습니다. 배너 구멍이 찢어지는 것을 방지합니다. 좋은 배너 구멍은 바람과 비에도 강합니다. 쉽게 녹슬거나 부서지지 않습니다. 배너 구멍을 설치하려면 특수 기계가 필요합니다. 기계는 각 배너 구멍을 배너 재료에 밀어 넣습니다. 그런 다음 배너 구멍이 제자리에 단단히 고정됩니다. 이렇게 하면 배너를 실외에서 사용할 수 있습니다.


배너 구멍 매개변수(사양)



재료 고급장교, 강철, 알루미늄, 스테인리스, 구리
표면 처리 요청에 따라 깨끗하고 아연 도금, 니켈 도금, 은도금
자격증 Rohs 준수
생크 직경 0.8-10mm
용인 +/-0.05mm
애플리케이션 자동차, 항공우주, 전기전자 등 다양한 산업 분야에서 사용하기에 적합합니다.
품질 관리 생산을 통한 100% 전 범위 검사를 통해 각 제품이 ISO 표준을 충족하는지 확인하여 고품질 제품을 보장합니다.



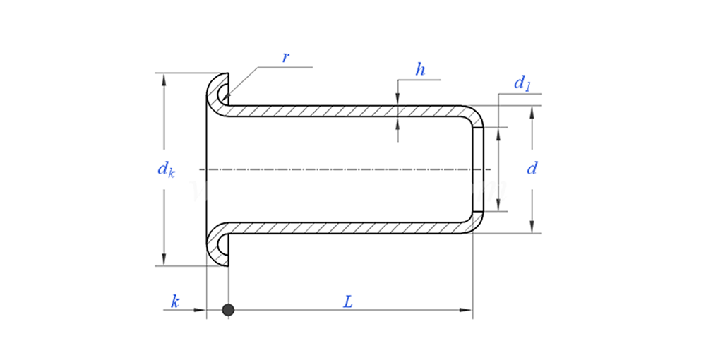
배너 구멍은 아래와 같이 그려집니다.

배너 작은 구멍 응용 쇼:

배너 작은 구멍 기능 및 응용

배너 구멍은 모든 곳에서 사용됩니다. 매장 배너를 걸려면 배너 구멍이 필요합니다. 이벤트 배너는 기둥용 배너 구멍을 사용합니다. 거리 배너에는 로프용 배너 구멍이 있습니다. 스포츠 배너에는 경기장용 배너 구멍이 필요합니다. 축제 배너도 배너 구멍을 사용합니다. 실내 표지판에도 배너 구멍이 필요한 경우가 있습니다. 이 배너 구멍은 배너가 더 오래 지속되고 깔끔하게 보이도록 도와줍니다. 이것이 좋은 배너 구멍이 광고에 중요한 이유입니다. 우리 고객은 배너에 대한 우리의 배너 구멍을 신뢰합니다. 그들은 우리의 배너 구멍이 어떤 날씨에도 잘 작동한다는 것을 알고 있습니다.


배너 구멍 생산 세부사항

배너 작은 구멍 포장 정보

FAQ:

Q1: 배너 구멍에 대한 MOQ는 무엇입니까?

리벳에 대한 MOQ는 20,000pcs입니다.


Q2: 우리 그림으로 제작을 맞춤화할 수 있나요?

예, 대부분의 관형 리벳은 고객의 도면을 바탕으로 맞춤 제작됩니다.


Q3: 중공 리벳의 무료 샘플을 제공해 주시겠습니까?

우리는 재고가 있는 크기에 대해 무료 샘플을 제공할 수 있지만 고객은 특급 요금을 지불합니다.


Q4: 배달 시간은 언제입니까?

재고 리벳 크기: 3-5일, 비표준 리벳: 15-25일. 품질보증으로 최대한 빨리 배송해드리겠습니다.


Q5: 귀사 제품의 품질은 어떻습니까?

회사는 선진적인 생산 및 테스트 장비를 보유하고 있습니다. 모든 제품은 배송 전에 QC 부서에서 100% 검사됩니다.


Q6: Nuote 기술을 선택하는 이유는 무엇입니까?

1. 우리는 고객의 개인정보 보호 프로젝트를 보호하기 위해 고객 약관을 존중합니다.

2. 매력적인 가격으로 높은 품질

3. 빠른 리드타임

4. 고객과 파트너에 대한 행복한 거래와 정직

5. 전문 판매 광고는 8시간 이내에 귀하의 문의에 응답합니다.

6.Nuote의 제품과 서비스는 좋은 평판을 바탕으로 70개국 이상에 판매됩니다.


핫 태그: 배너 구멍, 중국 배너 구멍, 배너 구멍 제조업체
관련 카테고리
문의 보내기
문의사항은 아래 양식으로 부담없이 보내주세요. 24시간 이내에 회신해 드리겠습니다.
X
당사는 귀하에게 더 나은 탐색 경험을 제공하고, 사이트 트래픽을 분석하고, 콘텐츠를 개인화하기 위해 쿠키를 사용합니다. 이 사이트를 이용함으로써 귀하는 당사의 쿠키 사용에 동의하게 됩니다. 개인 정보 보호 정책