스테인리스 작은 구멍

스테인리스 작은 구멍

우리는 중국 동관의 Nuote Metals입니다. 우리 공장에서는 다양한 산업 분야에 적합한 고품질 스테인레스 구멍을 만듭니다. 우리는 수년 동안 스테인레스 구멍을 생산해 왔습니다. 좋은 스테인레스 소재를 사용하고 있습니다. 이 소재는 스테인레스 구멍을 튼튼하고 녹슬지 않게 만듭니다. 우리는 다양한 크기의 스테인레스 구멍을 만듭니다. 일부는 전자 제품의 경우 작습니다. 일부는 아웃도어 제품에 적합합니다. 모든 스테인레스 구멍은 직원이 점검합니다. 그들은 각 조각을 주의 깊게 살펴봅니다. 많은 고객이 잘 작동하고 오래 지속된다는 이유로 스테인레스 구멍을 선택합니다. 새로운 프로젝트를 위해 샘플을 빠르게 만들 수 있습니다.

문의 보내기

제품 설명

스테인레스 작은 구멍 소개

스테인레스 구멍은 스테인레스 스틸로 만든 금속 링입니다. 재료의 구멍을 보강하는 데 사용됩니다. 스테인리스 구멍은 구멍이 손상되지 않도록 보호합니다. 세게 잡아당겨도 모양이 그대로 유지됩니다. 이 스테인리스 구멍은 습한 환경에서도 녹슬지 않습니다. 그들은 수년간 빛나고 강하게 유지됩니다. 스테인레스 구멍을 삽입하려면 특별한 기계가 필요합니다. 기계는 스테인레스 구멍을 재료에 밀어 넣습니다. 일단 설치되면 제자리에 단단히 고정됩니다. 이로 인해 제품이 더 좋고 내구성이 향상됩니다.



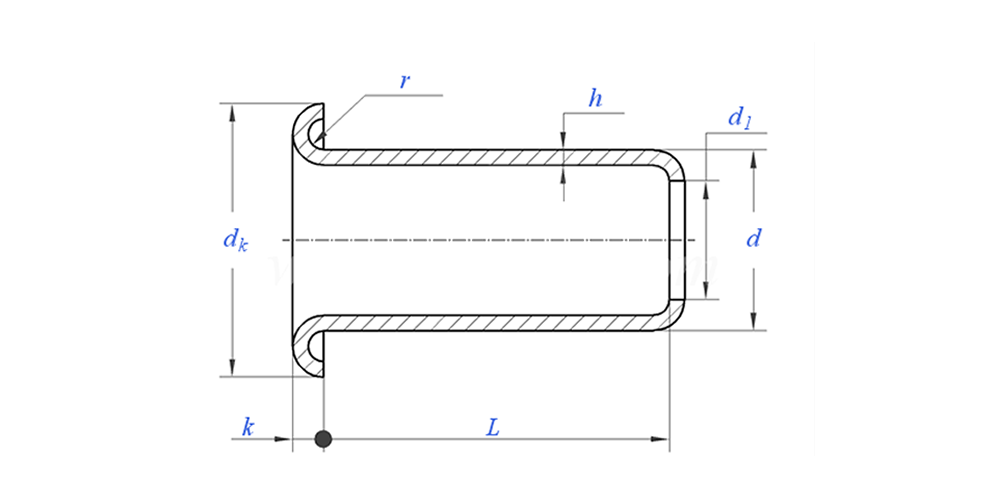
스테인리스 구멍 매개변수(사양)



재료 스테인레스 스틸
표면 처리 요청에 따라 깨끗하고 아연 도금, 니켈 도금, 은도금
자격증 Rohs 준수
생크 직경 0.8-10mm
용인 +/-0.05mm
애플리케이션 자동차, 항공우주, 전기전자 등 다양한 산업 분야에서 사용하기에 적합합니다.
품질 관리 생산을 통한 100% 전 범위 검사를 통해 각 제품이 ISO 표준을 충족하는지 확인하여 고품질 제품을 보장합니다.


아래와 같이 스테인리스 작은 구멍 그리기:

신청 쇼:


스테인레스 작은 구멍 기능 및 응용

스테인레스 구멍은 다양한 용도로 사용됩니다. 신발과 부츠에는 끈용 스테인리스 구멍이 필요합니다. 아웃도어 장비는 로프와 코드에 스테인리스 구멍을 사용합니다. 가방과 수하물에는 끈용 스테인리스 구멍이 필요합니다. 텐트와 타프를 묶으려면 스테인리스 구멍이 필요합니다. 전자 제품은 때때로 전선에 작은 스테인리스 구멍을 사용합니다. 해양 장비는 염수에 저항하기 때문에 스테인리스 구멍이 필요합니다. 이 스테인리스 작은 구멍은 제품을 안정적이고 오래 지속되게 만듭니다. 우리 고객은 중요한 제품에 대해 우리의 스테인레스 구멍을 신뢰합니다. 그들은 우리의 스테인리스 작은 구멍이 어떤 조건에서도 잘 작동한다는 것을 알고 있습니다.


포장 정보

스테인레스 작은 구멍 생산 세부 사항


FAQ:

Q1: 스테인레스 작은 구멍에 대한 MOQ는 무엇입니까?

리벳에 대한 MOQ는 20,000pcs입니다.


Q2: 우리 그림으로 제작을 맞춤화할 수 있나요?

예, 대부분의 관형 리벳은 고객의 도면을 바탕으로 맞춤 제작됩니다.


Q3: 중공 리벳의 무료 샘플을 제공해 주시겠습니까?

우리는 재고가 있는 크기에 대해 무료 샘플을 제공할 수 있지만 고객은 특급 요금을 지불합니다.


Q4: 배달 시간은 언제입니까?

재고 리벳 크기: 3-5일, 비표준 리벳: 15-25일. 품질보증으로 최대한 빨리 배송해드리겠습니다.


Q5: 귀사 제품의 품질은 어떻습니까?

회사는 선진적인 생산 및 테스트 장비를 보유하고 있습니다. 모든 제품은 배송 전에 QC 부서에서 100% 검사됩니다.


Q6: Nuote 기술을 선택하는 이유는 무엇입니까?

1. 우리는 고객의 개인정보 보호 프로젝트를 보호하기 위해 고객 약관을 존중합니다.

2. 매력적인 가격으로 높은 품질

3. 빠른 리드타임

4. 고객과 파트너에 대한 행복한 거래와 정직

5. 전문 판매 광고는 8시간 이내에 귀하의 문의에 응답합니다.

6.Nuote의 제품과 서비스는 좋은 평판을 바탕으로 70개국 이상에 판매됩니다.


핫 태그: 스테인레스 작은 구멍, 스테인레스 작은 구멍 제조 업체, 중국 스테인레스 작은 구멍
관련 카테고리
문의 보내기
문의사항은 아래 양식으로 부담없이 보내주세요. 24시간 이내에 회신해 드리겠습니다.
X
당사는 귀하에게 더 나은 탐색 경험을 제공하고, 사이트 트래픽을 분석하고, 콘텐츠를 개인화하기 위해 쿠키를 사용합니다. 이 사이트를 이용함으로써 귀하는 당사의 쿠키 사용에 동의하게 됩니다. 개인 정보 보호 정책